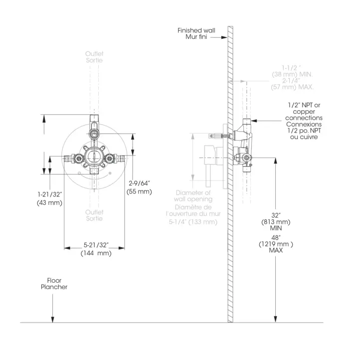
Valve déviatrice / Installation primaire
pression équilibrée
Bélanger
Pro
98VSR2WIR
Type of finish
Close
Nos partenaires
Aquifier Distribution LTD
Deschênes
EMCO LTD
M.I. Viau & Fils Ltee
Wolseley Canada
Nos partenaires
- Garantie à vie limitée
- Cartouches : Céramique à pression équilibrée, FC9AC010
- Valve - Débit : Débit maximal de 24 L/min (6.4 gpm) à 60 psi
- Valve Direction : Déviatrice 2 voies
- Valve à pression équilibrée
- Limiteur de température ajustable
- Contrôle de volume

Caractéristiques techniques

ADA

Water Sense

Ecologiq

cUPC
Documents d'installation et support
INSTRUCTIONS
98VSR2WIR
SPECS
98VSR2WIR
Temp Limit Calibration FC9AC010_FC9AC010-2
No items found.
Pro


AXO25
Robinet pour lavabo de salle de bain
No items found.
Pro


SOU321M
Robinet pour lavabo de salle de bain
No items found.
Pro


AXO22CPLF
Robinet pour lavabo de salle de bain
































































































































































