Colelction
Quik
Robinet pour
laveuse
Bélanger
Pro
7047
Type of finish
Close
Utilitaire et solide, leur ligne simple leur permettent de s’agencer en tout temps.
La collection Quik est le résultat de composantes résistantes et efficaces qui favorisent une installation rapide pour les plombiers. Utilitaire et solide, leur ligne simple leur permettent de s’agencer parfaitement à n’importe quel décors.
Nos partenaires
Aquifier Distribution LTD
Deschênes
EMCO LTD
M.I. Viau & Fils Ltee
Wolseley Canada
J.U. Houle
Nos partenaires
- Garantie à vie limitée
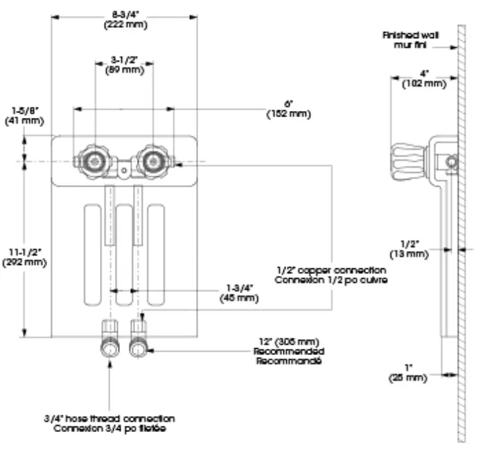
- Cartouches : Céramique 1/4 de tour, K2-1 (9K2RH-1 / 9K2RH-1)
- Valve - Compatibilité : Modèle complet (installation primaire et garniture)
- Contrôle de volume

Caractéristiques techniques

cUPC
Documents d'installation et support
INSTRUCTIONS
7047
SPECS
7047
Quik
Collection
Collection
Quik
Pratiques et robustes, leurs lignes épurées en font le choix idéal pour tout style de pièce.

La collection Quik est une solution économique conçue pour favoriser une installation accélérée par les plombiers. D'une construction robuste, ses lignes simples s'harmonisent parfaitement avec tout type de décor intérieur.


































































