Collection
Quik
Shower / Bath Faucet Trim
Diverter Valve
Bélanger
Pro
3060T
Type of finish
Close
Practical and sturdy, their simple lines make them ideal for any style of room.
The Quik collection is a cost-effective way to promote an accelerated installation by plumbers. Built solid, its simple lines create a perfect match to any interior design.
Our partners
Aquifier Distribution LTD
Deschênes
EMCO LTD
M.I. Viau & Fils Ltee
Wolseley Canada
J.U. Houle
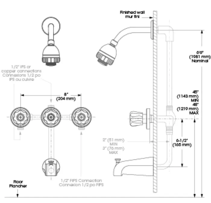
Technical specifications
- Limited Lifetime Warranty
- Shower Head Jets : 2 types of jets (spray, massage) 2 positions
- Shower Head Flow : Maximum flow of 9.5 L/min (2.5 gpm) at 80 psi
- Valve Compatibility : Trim compatible with 1960RW and 1960R rough-ins
- Valve Direction : 2 way diverter with 2 individual functions
- Volume control

Certifications

ADA

Water Sense

Ecologiq

cUPC
Installation & Support Documents
INSTRUCTIONS
3060T
SPECS
3060T
Quik
Collection
Collection
Quik
Practical and sturdy, their simple lines make them ideal for any style of room.

The Quik collection is a cost-effective way to promote an accelerated installation by plumbers. Built solid, its simple lines create a perfect match to any interior design.































































































































































































